Hier findest du den womöglich umfänglichsten, deutschsprachigen Test zum LG G2 Gallery OLED Evo TV – und das komplett kostenlos! Kann sich der LG G2 OLED im Test wieder die OLED-Referenz sichern?
Einleitung, Inbetriebnahme & Design
Wer neben den technischen Features eines TV-Gerätes ebenfalls Wert auf das Design legt, kommt am LG OLED65G29LA, wie das deutsche Modell lautet, nicht vorbei. Das „G“ im Namen steht für „Gallery“, da wie bereits der G1 aus dem Vorjahr das Gerät konzeptionell für die Montage an der Wand vorgesehen ist. Deswegen befindet sich im Lieferumfang die ultraflache „Slim Bracket“ Wandhalterung. Diese ermöglicht es, dank einer entsprechenden Vertiefung auf der Rückseite des Gerätes die Wandhalterung bündig an der Wand anzubringen. Mit weniger als 2,5 Zentimeter Gesamttiefe wirkt der ultraschlanke OLED somit wie ein Gemälde in einer Kunstgalerie. (Hier findest du den Preisvergleich der LG G2 OLED Fernseher)

Eine externe Anschlussbox, wie man sie noch von der Wallpaper Serie oder dem Marktbegleiter Samsung kennt, wird nicht benötigt. Die komplette Elektronik inklusive Netzteil findet in dem ultraschlanken Gehäuse ihren Platz. Für diejenigen, die das Gerät nicht an der Wand aufhängen möchten, bietet LG gegen Aufpreis einen Standfuß sowie die dazugehörigen Abdeckungen für die Kabelführung auf der Rückseite des G2 an. Anders als im Vorjahr besticht der neue Standfuß neben seiner Kabelführung durch eine massive Verarbeitung und benötigt nur eine geringe Fläche auf dem Möbelstück. Es gilt noch zu erwähnen, dass unter Verwendung des Standfußes das Panel leicht angeschrägt wird, siehe Bilder.

LGs smarte Magic Remote Fernbedienung arbeitet jetzt noch präziser, dennoch bin ich nach wie vor kein Freund von der Airmouse-Variante und setze daher auf die klassische Menüführung mit den physischen Tasten der Remote Control – das ist jedoch persönliche Präferenz. Die hauptsächlich aus Plastik bestehende Fernbedienung wirkt im Vergleich zur restlichen sehr hochwertigen Verarbeitung wie ein Fremdkörper und passt unserer Meinung nach nicht zu dem außergewöhnlichen Designkonzept des G2. Außerdem gibt es sechs Schnellauswahl-Tasten darunter auch solche für Alexa und Google Assistant. Wenn man regelmäßig Netflix, Amazon Prime Video oder Disney Plus schaut, kann man mit der LG G2 OLED-Fernbedienung mit nur einem Klick auf seine Lieblingsinhalte zugreifen.
Hochwertiges Design des G2 OLED TV:
Ein Blick ins Service Menü offenbart uns neben der Firmware Version 03.10.75, dass der Compensation Interval von den bisherigen 2000 Stunden reduziert wurde und bereits nach 500 Stunden das erste Mal automatisch durchgeführt wird. Das lässt vermuten, dass LG sein Versprechen nach mehr Helligkeit einhält, dafür aber lieber früher das Programm für die „Bildschirmreinigung“, welches Burn-In-Effekten verhindern soll, in kürzeren Intervallen startet. Außerdem ist zu erkennen, dass wir wirklich ein Produktions-frisches Sample erhalten haben. Die 23 Stunden Laufzeit, die unter UTT stehen, stammen von meinem Test.

Preise des G2 OLED TV sinken bereits kurz nach Verkaufsstart
Zum Zeitpunkt dieses Tests (Mai 2022) gibt es das 65-Zoll Modell im Preisvergleich ab 2.999 €. Wem das noch zu klein ist, dem bietet LG neben der 77 (4.100 €) und 83 Zoll (6.600 €) Variante ab der zweiten Jahreshälfte sogar erstmals gigantische 97-Zoll (ca. 25.000 €) zum Kauf an. Der Einstieg mit 55 Zoll kostet rund 1.900 Euro. Wir berichteten über den brutalen Preis bereits in der Vergangenheit> Erster 97 Zoll OLED Fernseher von LG ist überteuert. Und ja, es gibt auch ein 55-Zoll-Modell. Alle Varianten inkl. Preisvergleiche findest du HIER!

Alle 2022 LG TVs werden mit webOS 22 ausgeliefert, was das alte webOS 6.0 ablöst. Die Softwareversion wird künftig durch das jeweilige Jahr in dem die Modelle erscheinen dargestellt. Nach dem großen webOS-Redesign im letzten Jahr sowie der Umstellung auf eine Vollbild-Benutzeroberfläche hat LG einige neue Funktionen wie z. B. „Always Ready“ eingeführt, aber insgesamt bleibt webOS 22 weitgehend unverändert. Eine, wie wir finden, unschöne Entwicklung nehmen inzwischen die beworbene Inhalte und Werbung ein. Diese sind mittlerweile sehr dominant auf dem Display vertreten, wie auch bei allen anderen TV-Betriebssystemen. Der Grund dafür ist einfach, TV-Hersteller verdienen mit der Werbung zum Teil mehr, als mit den Verkäufen der Geräte selbst. LG tritt hier in die Fußstapfen anderer Hersteller, vor allem diejenigen, die ihre TV-Geräte mit Android TV oder Google TV betreiben. Im Vergleich zu diesen bietet jedoch webOS noch weniger Möglichkeiten, seinen Homescreen individuell an seine Bedürfnisse anzupassen.
webOS 22 lässt weniger Individualisierung zu
Die Navigation durch die Inhalte erfolgt gewohnt flüssig und innovativ über eine bildschirmfüllende Startseite. Eine dafür positive und nennenswerte Neuerung ist hingegen die Einführung von Benutzerprofilen. Diese helfen bei der Zusammenstellung von Empfehlungen und sorgen dafür, dass alle relevanten Inhalte jedes Haushaltsmitglieds in Reichweite bleiben. Dank einer neuen NFC-Steuerung kann man mittels der Magic Tapfunktion der LG ThinQ-App das Smartphone an die TV-Fernbedienung halten, um das Benutzerprofil zu wechseln. Mit Magic Tap können auch ganz einfach Inhalte von einem Smartphone auf den LG G2 Fernseher gespiegelt werden. Alternativ hierzu bietet LG Nutzern von iOS Geräten das Sharen von Inhalten mittels AirPlay2 an.

Die ThinQ-Plattform von LG fungiert erneut als zentrales Hub für die Steuerung zahlreicher IoT (Internet of Things) Devices im Smart Home. Befinden sich im Haushalt ThinQ kompatible Geräte, so werden diese im Dashboard angezeigt und können mittels Sprachroutinen wie „Guten Morgen“ (z.B. smarte Beleuchtung, Kaffeemaschine und Radio werden angeschaltet) gesteuert werden. Parallel hierzu kann der G2 auch in eine bestehende HomeKit-Umgebung integriert werden, um so den TV in seine Szenen und Automationen mit einzubinden. Wie es sich für ein aktuelles Gerät gehört, befindet sich auch erneut sowohl Alexa als auch Google Assistant mit an Board umso mittels Sprachsteuerung den Fernseher bedienen zu können. Ab Werk sind bereits alle wichtigen und bekannten Apps wie Netflix, Prime, Disney+, YouTube und Joyn vorinstalliert. Diese benötigen natürlich ein aktives Abonnement, um genutzt werden zu können. Auf Wunsch können diese durch weitere Apps aus dem LG Store ergänzt werden. Ein zusätzlicher Mediaplayer wie z. B. ein FireTV-Stick oder der Apple TV sind somit nicht zwingend notwendig. Die Auswahl an Apps ist wirklich ausgereift und es fehlen so gut wie keine namhaften Portale.

Enthalten ist auch erneut der sogenannte „Kunstmodus“. Wie es sich für einen selbst ernannten Galeriefernseher gehört, haucht dieser dem TV an der Wand oder auf dem Lowboard auch im Stand-by-Betrieb Leben ein. Nach der Unterhaltung kommt Eleganz. Nach dem Schauen seiner Lieblingssendung schaltet man einfach in den Gallery Mode und es werden einem Werke berühmter Künstler präsentiert. Farben, Details und Texturen sind den echten Werken verblüffend ähnlich. Der Fernseher ist damit nicht mehr länger nur ein Display, sondern wird zu einem kunstvollen Bestandteil des eigenen Interieurs. LG hebt sich mit „lebenden Kunstwerken“ auch etwas von der Masse ab. „An einem Regentag“ ist z.B. ein bewegtes Gemälde mit mehreren Szenen, das mit plätscherndem Regen untermalt wird. Mehr solcher, fast schon meditativen Kunstwerke können gratis in der Art Gallery heruntergeladen werden.
Kalibrierung SDR
Wir waren sehr gespannt auf den Nachfolger des großartigen G1, den wir HIER ausführlich getestet haben. Denn mit dem verbesserten OLED Evo, welches sich aus der Ansteuerung der Software sowie einer optimierten Abwärme dank fortschrittlichem Kühldesign zusammensetzt, sollte uns endlich problemlos über die 1.000 nits-Marke führen (dazu später mehr bei der HDR-Kalibrierung).

Zu unseren Verwunderung mussten wir erstmals feststellen, dass die aktuelle LG OLED Generation aus dem Jahr 2022 unter einigen teils unverständlichen Software Bugs leidet. So stellten wir bereits beim allgemeinem Sichten der Bildeinstellungen im TV fest, dass der Farbraum bei allen Bildmodi bis auf dem Spielmodus im nativen Farbraum vorkonfiguriert ist. Dieser muss also manuell von „Ursprünglich“ auf „Automatisch erkennen“ gesetzt werden, denn nur so wird gewährleistet, dass der TV je nach Eingangssignal entweder Rec.709 oder BT.2020 Farbraum korrekt mapped. Auch der FILMMAKER-MODE der in der Regel unsere Grundlage zur Kalibrierung darstellt, ist ab Werk falsch konfiguriert. Das OLED Licht steht Out of the Box auf 80 und erzielt somit eine Maximalhelligkeit von ~225 Nits und ist somit gemäß den Richtlinien deutlich zu hell. Hier empfiehlt es sich das OLED Licht zwischen 27 und 30 einzustellen, um ~100 Nits Maximalhelligkeit zu erreichen.

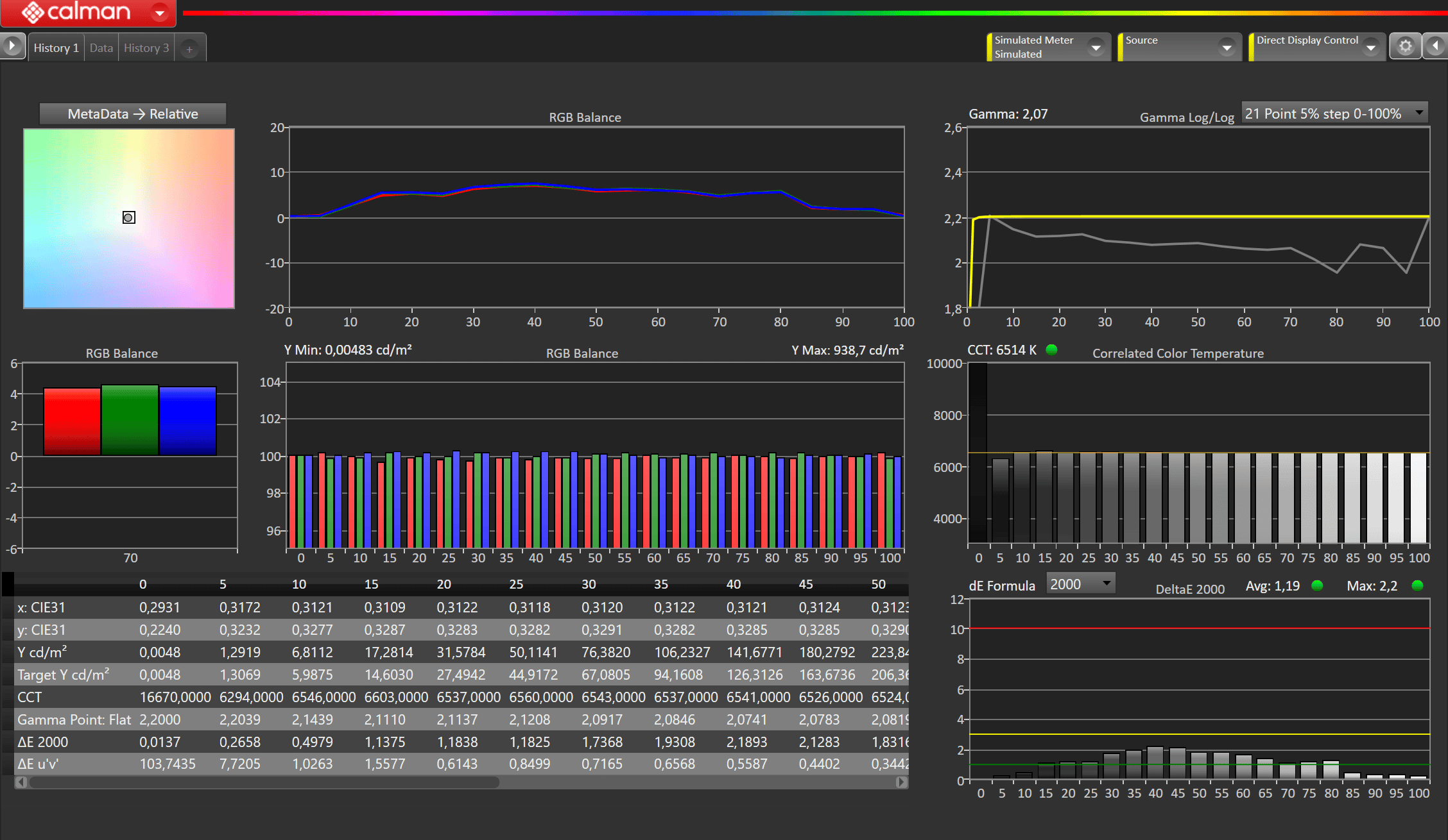
Das RGB-Separationsdiagramm zeigt die einzelnen RGB-Kanäle im Vergleich zur Grauskala, wobei ein schlechtes Diagramm tatsächlich Anzeigeüberschneidübungsfehler und/oder Luma-Fehler anzeigt. Der Verlauf des G2 mit Evo Panel der zweiten Generation ist nach Anpassung von Kontrast und Farbe sehr linear und trägt zu einer optimalen Grundlage für unsere Kalibrierung bei.
Eher untypisch für LG zeigt sich der G2 ab Werk nicht unbedingt von seiner besten Seite. So messen wir zwar im FILMMAKER-MODE ein sehr guten durchschnittlichen Gamma Wert von 2,41 jedoch ist die Farbtemperatur mit knapp 6100K deutlich zu warm ausgefallen, was sich auch aus der RGB Balance herauslesen lässt. Bereits im unteren Drittel der Grautreppe zeigt sich ein starker Überhang der Primärfarbe Rot und ein deutliches Defizit an Blau.
Klickt euch durch die Tabs, um alle Werte der Bildmodi vor der Kalibrierung vergleichen zu können.
Bevor sich einige jetzt fragen, wo dieses Menü im LG zu finden ist, dem sage ich gleich vorweg, dass man, um dort hinzukommen, eine Service-Remote benötigt und definitiv wissen sollte, was man tut, ehe man sich hier sein Gerät zerschießt. Daher raten wir Anfängern und allen, die sich unsicher sind, dringend davon ab hier etwas zu verstellen. Ein Verlust der Garantie droht! Wer dennoch einen Blick riskieren möchte, um beispielsweise die Betriebsstunden auszulesen, der kann die Service-Remote für wenige Euro bei amazon finden. Statt den Weißabgleich im Bildmenü vorzunehmen, wie es gängige Praxis ist, stelle ich den Weißpunkt im Service-Menü ein. Dies mache ich deshalb, da somit im Vergleich zur herkömmlichen Methode kein zusätzliches Processing des SoC (System on Chip) stattfindet und insgesamt ein besseres Ergebnis erzielt werden kann. Ferner bieten die Regler im Service-Menü eine deutlich feinere Justierung der Gain und Bias Parameter.
Die Anpassung der Gain-Regler reichte bereits aus, um einen nahezu perfekten RGB-Verlauf zu erzielen, wie in dem beigefügten Screenshot hervorragend zu sehen ist.

Da uns perfekt jedoch nicht ausreicht und wir neben der Grautreppe auch die Farbdarstellung bis ans Limit treiben wollten, haben wir nach dem Weißabgleich mithilfe von ColourSpace von Light Illusion und dem für Besitzer einer ColourSpace Lizenz kostenlosen DeviceControl eine Custom 3D-LUT in den TV hochgeladen. Hierfür wurde aus knapp 4.500 Messpunkten ein Displayprofil erstellt und mittels ColourSpace anschließend eine 3D-LUT generiert. Nach wie vor bietet die B-Modellreihe die Möglichkeit einer 17^3 LUT (4.913 Korrekturpunkte) und alle weiteren Modelle eine 33^3 LUT (35.937 Korrekturpunkte) in den TV hochzuladen. Das Endergebniss dieser custom LUT ist wenig überraschend grandios ausgefallen und entspricht dem allerhöchsten Referenzniveau.
Wie bereits bei den Modellen der vergangenen Jahre bietet auch der G2 technisch versierten Anwendern mit dem entsprechenden Equipment das allerletzte Prozent Bildqualität herauszukitzeln. Nach der Verifizierung von 1.000 Messpunkten ergibt sich folgendes Endresultat. Ich denke Bilder sagen manchmal mehr als viele Worte. Um einen der wichtigsten Messwerte bei all diesen Diagrammen in Fokus zu rücken, habe ich diesen mit einem roten Rahmen versehen. Der durchschnittliche dE2000 Wert der 1.000 Messpunkte des G2 ergab sagenhafte 0,37 und lediglich 7 Punkte sind > 1 dE, mit einem Maximalwert von 1.47 dE. Ein Traumwert für jeden Kalibrierer, was nicht nur auf dem Papier, sondern auch auf dem Bildschirm für Staunen sorgt. Nochmals zur Erinnerung alles, was unterhalb von 3.0 dE liegt, kann von dem menschlichen Auge nicht als Fehler wahrgenommen werden.
Klickt euch durch die Tabs, um alle Messungen nach der Kalibrierung vergleichen zu können.
Inzwischen darf ich endlich ein Jeti 1501 Spektrometer mit 4.5 nm Auflösung mein Eigen nennen, weshalb es bei meinen Reviews ab sofort hochauflösende Messungen von Spektrum der Anzeigen oder Projektoren geben wird. Beim neuen Evo Panel des G2 offenbart diese Messung, dass die Differenzierung der einzelnen Primärfarben Rot, Grün und Blau noch stärker ist als bei allen vorherigen Modellen, was in der Praxis für eine akkuratere Farbdarstellung sorgt.

Kalibrierung HDR
Im Vergleich zur SDR-Werkskalibrierung ist insbesondere der HDR FILMMAKER-MODE deutlich neutraler abgestimmt. Der RGB-Verlauf ist akzeptabel und die Abweichung bei 65 IRE normal, da an diesem Punkt das Tone-Mapping des G2 ansetzt. Der EOTF-Verlauf ist im Vergleich zu den anderer Hersteller nahezu perfekt, kann jedoch noch optimiert werden. Die Spitzenhelligkeit von knapp 860 Nits im unkalibrierten Zustand reiht sich im oberen Drittel für OLED Geräte ein – mit Luft nach oben. Anders als bei der Konkurrenz von Samsung hält sich LG beispiellos an die HDR Richtlinien. Wir berichteten jüngst von der starken Anhebung der Mitteltöne bei den neuen QD-OLEDs von Samsung, die nur dann messtechnisch erfasst werden konnte, wenn man abseits der gängigen Fenstergrößen gemessen hat. Nachdem das Thema jedoch unter anderem von HDTV Test medienwirksam publik gemacht wurde und auch in zahlreichen Forum für Diskussionen gesorgt hatte. Samsung veröffentlichte in Rekordzeit ein Firmwareupdate, wohl auch um den Schaden durch schlechte Presse in Grenzen zu halten.
Wer Wert auf eine mustergültige Wiedergabe legt, dem empfehlen wir die Bildmodi Kino oder den FILMMAKER-MODE während der Kino-Home Modus sich für die Wiedergabe am Tag eignet, da dieser deutlich heller ist, wie an dem abweichenden EOTF-Verlauf zu erkennen ist.
Klickt euch durch die Tabs, um alle Werte der Bildmodi vor der Kalibrierung vergleichen zu können.
Wie auch schon in den SDR-Bildmodi weißt die aktuelle Firmware Version einige Bugs im HDR Modus auf. So fehlen unter den erweiterten Einstellungen für den Weißabgleich sowohl für die 10-Punkt als auch für die 22-Punkt Variante wichtige Stellregler.
So stehen aktuell nur folgende Code Values zu Verfügung:
- 10-Punkt (561 / 590 / 623 / 652 / 1023)
- 22-Punkt (518 / 541 / 561 / 578 / 595 / 613 / 628 / 641 / 655 / 669 / 1023)
Da durch den Weißabgleich im Service-Menü für den SDR Bildmodus die Farbtemperatur global kalibriert wird, ist der HDR Modus bereits auf absoluten Referenzniveau. Der RGB- als auch EOTF-Verlauf halten sich nun strikt an die Norm. Außerdem steigt die maximale Helligkeit auf sagenhafte 960 Nits an und verpasst nur ganz knapp die 1.000 Nits Marke im kalibrierten Zustand. Im unzumutbaren „Lebhaft“ Modus erreicht der G2 aufgrund des hohen Blauanteils sogar 1.022 Nits jedoch sind dies nur synthetische Werte. Der DCI-P3 Farbraum wird zu 99% abgedeckt und BT.2020 zu 73%. Zur weiteren Verifizierung wurde neben der ColorMatch HDR Farbpalette auch die Saturation-Sweeps vermessen und auch hier erzielt der G2 mustergültige Ergebnisse und erlaubt sich keine Patzer. Lediglich im dunklen Sättigungsbereich von Rot gibt es minimale Verschiebungen auf der Farbachse in Richtung Gelb, die während der Wiedergabe jedoch nicht optisch auffallen.

Der Dolby Vision Bildmodus bereitete ebenfalls Probleme und konnte weder korrekt kalibriert noch verifiziert werden. Nachdem man den Testbildgenerator für die Kalibrierung konfiguriert hat, wird die Einstellung für den HDMI-Signalpegel im G2 gesperrt. Dies ist jedoch zwingend notwendig, da man diesen manuell auf begrenzt stellen muss, was den Videolevel 16-235 entspricht. Daraus resultiert dann der fehlerhafte Gamma Verlauf, der in der unteren Grafik zu sehen ist. Da nützt es auch leider wenig, dass man mit den 22-Punkten im TV die Grautreppe gerade ziehen kann. Ferner ist es mit der zum Zeitpunkt des Testes verfügbaren Firmware (03.10.75) nicht möglich die Dolby Vision Kalibrierung im „Absolute“ Mode zu verifizieren. Dies führt zu dem unten stehenden Magenta / Green Flash. Kurzum aktuell kann man Dolby Vision weder kalibrieren noch verifizieren. Ich hoffe, das hier LG schnell ein entsprechender Fix herausbringt.
Kurze Zeit, nachdem das Testgerät zurückgesendet worden ist, wurde Firmware Version 03.11.10 von LG verteilt. Zumindest laut offiziellen Changelog wurde das oben beschriebene Problem mit Dolby Vision jedoch nach wie vor nicht behoben und so berichten auch weiterhin User von dem oben beschrieben Verhalten.
Bildeindruck LG G2 OLED TV
Nach dem ersten Einschalten zeigte sich auch ohne vorherige Messung, dass ein deutlicher Black-Crush vorlag und somit alle Details nahe Schwarz zunichtemachte. Deshalb entschloss ich mich dazu, den Pixel Refresher manuell zu starten, was zu einer deutlichen Verbesserung führte. Wenig überrascht waren wir über die überragende Bildqualität des LG G2 bei der Wiedergabe von SDR als auch HDR Inhalten. Hierbei spielt es keine Rolle, ob es sich um stark komprimierte YouTube Videos oder HD bis hin zu Ultra HD Videos handelt. Die bekannten positiven Eigenschaften der selbstleuchtenden Pixel des OLED-Panels tragen stark zu einer gelungenen Bildqualität bei. Der enorm hohe Kontrast und die präzise Farbwiedergabe machen es zu einer wahren Freude, seinen Lieblingsfilm oder Serie auf dem Gerät zu schauen.
Die generierten Bilder wirken äußerst plastisch und bieten insbesondere bei der Wiedergabe von HDR-Inhalten viel Dynamik und Tiefgang. Die inzwischen fünfte Generation des α9 Gen5 4K AI-Prozessor verarbeitet die Bildsignale auf dem gleichen hohen Niveau wie die vorherigen Generationen. Das Upscaling von niedrig aufgelösten Inhalten meistert der G2 mit Leichtigkeit, kann jedoch auch nicht zaubern. Somit sieht schlechtes Quellmaterial auch auf dem OLED ohne große Verwunderung schlecht aus.

Dank der verbauten Kühlplatte, die sich hinter dem Panel befindet, als auch durch Optimierungen der Pixelstruktur in Form von schmaleren blauen Pixeln sind im HDR Betrieb erstmals Helligkeiten abseits der bekannten 700-800 Nits Spitzenhelligkeit möglich. Ferner wird durch die optimierte Wärmeableitung das Nachleuchten auf ein Minimum reduziert. So messen wir in unserem Testlabor innerhalb eines 10 % Messfensters sage und schreibe 960 Nits und das nach der Kalibrierung! Diese enorme Steigerung der Maximalhelligkeit macht sich auch abseits der Messinstrumente sofort positiv bemerkbar.
So strahlen Spitzenlichter bei der Wiedergabe von HDR10 oder Dolby Vision Inhalten deutlich heller und intensiver als bei jedem anderen bisher getesteten OLED-TV. Als Praxistest diente die nur allzu bekannte Sequenz aus Mad Max: Fury Road, in der es bei der Verfolgungsjagd in der Wüste zu zahlreichen Explosionen und Gewitterblitzen kommt. Noch nie hat es mehr Spaß gemacht, diese geniale Szene zu schauen und sich von der hohen Dynamik und Farbpracht umhauen zu lassen. Um das bestmögliche Seherlebnis zu garantieren, kann ich nur jedem empfehlen, das Dynamic Tone Mapping des G2 zu deaktivieren, da es ansonsten in bestimmten Szenen zu starken Helligkeitsschwankungen kommen kann.
Als Bild-Purist verzichte ich selbstverständlich auf jegliche Art von „Bildverbesserer“ jedoch besitzt der LG eine tolle Option, um Banding-Artefakte zu reduzieren. Das sind diese lästigen Farbübergänge, die sich vor allem bei Farbverläufen z.B. bei der Darstellung des Himmels bemerkbar machen. Dies funktioniert in der Praxis bereits auf der geringsten Einstellung hervorragend, ohne dabei das Bild zu sehr zu verfälschen. Wie man auf dem Testbild hervorragend erkennen kann, wird das Banding rund um den dunklen Kreis merklich reduziert. Der Unterschied wird auf den Stufen „Mittel“ und „Hoch“ nicht besser und verursacht lediglich durch das enorme Weichzeichnen, dass Details im Bild verloren gehen und ist somit nicht zu empfehlen.
Wer möchte, kann von dem eingebauten Lichtsensor Gebrauch machen, der die Bildhelligkeit dynamisch an das Umgebungslicht anpasst. Dies kann besonders für die Wiedergabe am Tag oder weniger licht kontrollierten Umgebungen Sinn ergeben. Dank Dolby Vision IQ Funktion kann die dynamische Helligkeitsanpassung auch für Dolby Vision Inhalte genutzt werden. Der inzwischen von nahezu jedem bekannten Hersteller implementierte FILMMAKER-MODE bietet auch beim G2 Out-of-the-Box die beste Grundlage für eine natürliche Bildwiedergabe. Jedoch weist die aktuelle Firmware (03.10.75) zum Zeitpunkt des Testes noch einige Bugs auf und somit sind einige manuelle Anpassungen zwingend notwendig, um eine natürliche Bildwiedergabe zu erhalten. So müsst ihr nach Auswahl des FILMMAKER-MODE den Farbraum von „Ursprünglich“ auf „Automatisch erkennen“ stellen sowie das OLED-Licht von 80 auf ca. 30 reduzieren, um ~ 100 Nits Maximalheligkeit zu erreichen. Die Homogenität unseres Testsamples war wie schon bei dem G1 sehr gut und wir konnten keinerlei Banding oder DSE (Dirty Screen Effect) ausfindig machen. Hinzukommt, dass trotz langer Messungen kein Einbrenneffekt während unseres Testes festgestellt werden konnte und das Nachleuchten der Messfenster dank verbauter Kühlplatte binnen kürzester Zeit verschwand.
Gaming
Kein anderer Hersteller bietet der Gaming-Community so viele Features als auch Leistung wie LG. So verwundert es auch nicht, dass auch in diesem Jahr wieder großartige neue Features geboten werden, die das Gaming auf dem OLED zu einem unvergesslichen Erlebnis machen sollen. Nicht nur der α9 Gen5 4K AI-Prozessor wurde auf den neusten Stand gebracht, sondern auch die HDMI-Chipsätze wurden grunderneuert. Heißt vier vollwertige HDMI 2.1-Anschlüsse mit 48 Gbit/s. Die Ports unterstützten damit die Kompressionsvariante DSC bis 4 x 340 MHz. VRR gibt es von 40 bis 120 Hz und erstmals werden sogar Dolby Vision Gaming Inhalte bis zu 120 Hz unterstützt.
Unter der Verwendung von VRR kommt es leider nach wie vor zu Problemen mit erhöhten Schwarzwerten sowie unschönen Flimmern. Von diesem Problem sind jedoch alle OLED-Panels von LG Display betroffen, also auch OLED Geräte anderer Hersteller. Zur Kompensation des Problems bietet LG eine Option zur Schwarzstabilisierung an, der den Effekt mildern soll. In der Praxis funktioniert dies nur bedingt, ist jedoch besser, als gar nichts dagegen tun zu können.
LG hat sich mit einigen der bekanntesten Entwickler und Technologieunternehmen im Gaming-Bereich zusammengeschlossen, um nicht weniger als das beste HDR-Gaming-Erlebnis zu gewährleisten. So verfügt der G2 neben VRR und ALLM AMD Freesync, nVidia G-Sync erneut über HGiG (HDR Gaming Interest Group) in Kombination mit der Bildqualität, die durch die selbstleuchtenden Pixel erreicht wird, liefert insbesondere HGiG genau die Grafik, die am besten zu den Spezifikationen und Leistungsstufen des G2 passen.

Der Game Optimizer bietet in diesem Jahr verbesserte Einstellungen für verschiedene Spiel-Genres, unter anderem FPS, RPG und RTS. Das Menü kann im Game Modus aufgerufen werden, um somit alles von einem Ort aus konfigurieren zu können und somit mehr Kontrolle über die Bild- und Toneinstellungen zu haben. Diese zusätzlichen Steuerungsmöglichkeiten stellen sicher, dass alle Spiele klar und flüssig mit weniger Verzögerungen, Ruckeln und Unterbrechungen dargestellt werden können. Was die gemessene Signalverzögerung im Speziellen angeht, so messen wir im Spiele-Modus für den LG G2 einen Input Lag von 12,9 ms, was ein Spitzenwert darstellt, jedoch nahezu identisch zum Vorgängermodell ist. Der Input Lag kann bei Zuspielung von 1920 x 1080 120 Hz sogar auf 4,8 ms reduziert werden.

Sound / Audio
Wie bereits bei Modellen aus der Vergangenheit stehen auch dem G2 nur äußerst wenig Spielraum für die ultraflachen Treiber im 4.2 Set-up (40 Watt Lautsprecher / 20 Watt Woofer) zur Verfügung. Leider ist diese stylische Bau vermutlich der Grund für die eher flache Klangqualität des Gerätes. Klanglich hat sich der neue OLED G2 im Vergleich zum Vorjahr nach unsere Einschätzung kaum verbessert. Bei moderaten Lautstärken stellt sich eine gute Klangharmonie ein, während die Präzision und Verständlichkeit von Stimmen sehr hochwertig sind. Der Sound ist angesichts des sehr flachen Gehäuses daher insgesamt gut und bietet eine akzeptable Tonqualität. Mithilfe des eingebauten Mikrofons in der Magic Remote kann eine Raumeinmessung vorgenommen werden, womit die allgemeine Klangqualität etwas verbessert werden kann.
Zur Kompensation und für eine tolle Atmosphäre bei Film, Gaming oder Fußball raten wir dazu, den TV mit einer Soundbar oder einer hochwertigen Surround/3D-Sound-Anlage aufzurüsten. Vor allem bei einer Wandinstallation des G2, bietet sich ein akustisches Upgrade geradezu an. Im neuen Soundbar-Lineup von LG befinden sich sogar Modelle, die Dolby Atmos drahtlos an den Klangriegel übertragen können. Eine Überlegung wert?
Der α9 Gen5 4K AI-Prozessor rechnet gewöhnliches 2-Kanal-Audio in einen virtuellen 7.1.2-Kanal-Sound hoch. Es steht eine große Auswahl an vorkonfigurierter Klangmodi zur Verfügung, sodass man zwischen Standard, Kino bis hin zu Sport und Musik den EQ passend zum Content auswählen kann. Es gibt sogar eine Einstellung, die Stimmen stärker in den Fokus rückt, was für manchen Content hilfreich sein kann. Die Standardeinstellung, die das Gerät bei der Einrichtung vorschlägt, ist AI Sound Pro, die den standardmäßigen 2.1-Stereo-Sound des Geräts zu virtuellem 5.1-Surround-Sound aufwertet und so dem Klang mehr Dimension und Höhe verleiht. In der Praxis funktioniert dies erschreckend gut, ist jedoch nicht mit der Soundqualität von externen Soundlösungen vergleichbar.
Testfazit LG G2 OLED TV
Lange Zeit galt die Helligkeit als die Achillessehne von OLED-Geräten, da man stets versuchte, das Einbrennen von statischen Bildinhalten zu vermeiden und gleichzeitig das Farbvolumen bestmöglich zu erhalten. Der LG G2 OLED-Fernseher mit der OLED evo-Technologie der zweiten Generation stellt dank intelligenter Kühlplatte hinter dem Display jedoch eine wesentliche Verbesserung in diesem Bereich dar. Somit sind jetzt im HDR Betrieb Maximalhelligkeiten von knapp 1.000 Nits möglich, ohne sich Sorgen über lästiges Nachleuchten machen zu müssen.
Ferner begeistert LG mit dem G2 erneut nicht nur durch sein edles Gallery-Design, sondern punktet vor allem durch überragende Bildqualität, die bisher seinesgleichen sucht. Gamer erfreuen sich darüber hinaus über einen extrem niedrigen Input Lag und Features wie HGiG, VRR und ALLM und die vier HDMI 2.1 Anschlüsse. Das Alleinstellungsmerkmal, wie Wiedergabe von 4K@120Hz mit Dolby Vision Gaming+VRR (Xbox Series X) hat LG auch in diesem Jahr wohl noch für sich gepachtet. Der G2 ist wie zu erwarten einer der besten OLED-Fernseher in diesem Jahr. Einzig die neuen QD-OLED-Fernseher von Samsung (S95B) oder Sony (A95K) könnten dem G2 die Krone streitig machen!
Pro
+ Überragende Bildqualität
+ Maximalhelligkeit 960 Nits kalibriert
+ sehr edles Design
+ 4x HDMI 2.1 mit eARC, VRR & ALLM
+ zahlreiche Gamingfeatures
+ Dolby Vision
+ Dolby Atmos
+ Wandhalterung im Lieferumfang enthalten
+ wegweisendes Bedienkonzept (webOS 22)
Contra
– Firmware zum Zeitpunkt des Tests noch fehlerhaft
– Klanglich Luft nach oben
– Kein Standfuß im Lieferumfang enthalten
– Fernbedienung könnte etwas „edler“ sein
Messungen
Spezifikationen
Optimale Einstellungen
Mit der korrekten Vorauswahl des Bildmodus kann bereits ein hervorragendes Bild auf dem G2 erzeugt werden. Daher empfehlen wir für eine neutrale Wiedergabe von SDR als auch HDR Material den FILMMAKER-MODE. Da die Firmware aktuell jedoch noch einige Bugs vorweist, solltet ihr nach Auswahl des FILMMAKER-MODE noch den Farbraum auf „Automatisch“ stellen und das OLED Licht auf 28 reduzieren, da der Wert 80 Out of the Box deutlich zu hell ist, insbesondere für die Wiedergabe in Licht-kontrollierter Umgebung. Sollte der TV in einem von Licht durchfluteten Raum stehen, so bietet sich alternativ noch der ISF-Tag Modus an. Hier ist ab Werk ein Gamma von 2.20 und eine höhere Spitzenhelligkeit voreingestellt. Auch hier muss der Farbraum manuell auf „Automatisch“ gesetzt werden.
Einstellung | SDR | HDR |
Bildmodus | FILMMAKER-MODE | FILMMAKER-MODE |
Helligkeit | 51 | 51 |
Kontrast | 82 | 100 |
Farbe | 54 | 50 |
Schärfe | 0 | 0 |
Farbton (G/R) | 0 | 0 |
Digitale Rauschfilter | Aus | Aus |
Auto Motion Plus | Aus | Aus |
Farbtemperatur | Warm 50 | Warm 50 |
Gamma | BT.1886 | ST.2084 |
Farbraum | Auto | Auto |
2P Weißabgleich RGB-Gain | 0 / 0 / 0 | 0 / 0 / 0 |
2P Weißabgleich RGB-Offset | 0 / 0 / 0 | 0 / 0 / 0 |
Ich war fast überzeugt vom G2… allerdings gibt es für mich ein Kriterium welches leider (zu meinem Erstaunen) in eigentlich allen Testberichten unerwähnt bleibt: das Netzkabel ist fest mit dem TV verbunden und lässt sich zu Installationszwecken also leider nicht entfernen. Konsequenz: der dicke Schuko-Stecker lässt sich leider nicht durch einen Standard-Multimediakanal (in der Wand) bringen und die Steckdose auf TV-Höhe ist mit eingestecktem Netzkabel zu dick um den TV plan an die Wand zu bringen. Das ist aus meiner Sicht für einen TV mit einem „Gallery Design“ Anspruch ein Designfehler – klein aber mit großen ästhetischen Auswirkungen, wenn man den TV wirklich wie ein Bild an die Wand bringen möchte ohne dass Kabel zu sehen sind. Meine Anfrage bei LG beantwortete man lediglich wie folgt: „[…] Das Verändern oder Entfernen des Kabels führt zu einem Verlust der Hersteller Garantie“
Kann dies jemand nachvollziehen? Gibt es Lösungen die ich bisher nicht bedacht habe? Gibt es gleichwertige Alternativen? (Samsung The Frame ist für mich keine, da die Bildqualität zwar sehr gut aber doch deutlich hinter dem LG G2 ist)…
Hallo Dominic, ich würde gerne wissen, ob ihr euch bereits den Panasonic LZW2004 angeschaut habt. Könnt ihr auf Basis der Werte, falls ihr ihn nicht schon sogar getetestet habt, eine Empfehlung aussprechen, ob der Mehrpreis von ca. 1000 Euro zum G2 einen deutlichen Mehrwert bietet? Ich schwanke aktuell zwischen den beiden Modellen, aber tendiere auf Grund des hohen Preisunterschiedes zum G2 (77 Zoll jeweils). Was meint ihr? Die Tests beider Geräte sind hervorragend, wenn man sich den Pressespiegel anschaut.
Du wirst mit beiden Geräten deinen Spaß haben. Es kommt noch darauf an, ob du den TV auch für Gaming einsetzt. Und selbst wenn nicht, würde ich dem Panasonic für 1.000 Euro mehr jetzt keinen so großen Qualitätsunterschied zusprechen, als dass sich die Investition lohnen würde. Stehen die beiden Geräte direkt nebeneinander, dann erkennst du vielleicht beim LG oder Panasonic einen Vorteil in bestimmten Disziplinen, aber ohne direkten Vergleich, kann man getrost zum LG greifen. Es kommt auch ein bisschen auf das persönliche Gusto an. Für 1.000 Euro kannst du dir z.B. auch noch entweder die Standfüße, eine andere Wandhalterung, Soundbar oder ähnliches leisten.
Dominic auch so ca 3.5 m
Also denkst du würd der A90 reichen.
Wir bewegen uns beim G2 / A90K usw. schon im High-End-Bereich und bei LG und Sony muss man auch keine Sorgen wegen Features, Standards und Bildprocessing machen. Ich würde dir raten, dir nicht allzu viel Sorgen über die „richtige Entscheidung“ zu machen, sondern eher, welcher von den beiden Fernsehern dir zusagt. Ich verspreche dir, du wirst nicht vor deinem Sony A90K sitzen und denken „Mensch, jetzt habe ich das total falsche Gerät ausgewählt“. Allein das du dir so viel Gedanken über die Kaufentscheidung machst zeigt, dass zwischen den beiden Geräten, was die Bildqualität angeht, nicht zu viel Unterschied ist. Es gibt auch Dinge, die der Sony womöglich besser macht. Z.B. bei der Bildverarbeitung würde ich den Sony etwas über dem LG einordnen. Und einen G2 holen ohne Wandinstallation und dann noch zum teureren Preis wegen den Standfüßen, ergibt dann im Endeffekt weniger Sinn. Schreib uns gerne, für welches Gerät du dich entschieden hast.
Danke für deine Antwort Dominik.
Es sollte schon ein 83“sein.
Wenn es wirklich nur die helligkeit ist und das design dann denk ich würde der A90 von Sony reichen.Der Schwarzwert sollte ja bei beiden gleichstark sein..Bekomme den Sony aktuell für 3550€ und den LG G2 für 4250€ / 4500€ mit standfuß.1000€ für mehr helligkeit und design was mir nix bringt wäre eigentlich blödsinn.
Vom Sound her glaub ich hat der Sony die Nase vorn..
Dominic,erstmals danke für deine Antwort.
Es soll bezüglich der größe ja unbedingt ein 83“werden.Entweder der G2 der mich 4250€ ohne standfuß 4500€ mit kosten würde oder halt der A90 von Sony den ich für 3550€ bekommen würde.Den akltuellen Sony oled gibt es ja leider nicht in 83“und wenn würde er locker 6000€ kosten.
Vom Schwarzwert her tun sich beide nicht wirklich viel.1000€ unterschied ist für Tv find ich schon me menge…wenn der außer helligkeit nicht wifklich besser ist glaub ich greif ich zu den Sony A90.
Wie weit sitzt du denn entfernt, dass 77 Zoll nicht reichen =D Ich sitze gerade 3.5 Meter von einem 75 Zöller entfernt und der könnte noch ein ganzes Stückchen weiter hinten stehen, zumindest für Filme, Serien und Gaming. Der Sound von Sony mit Acoustic Surface macht schon Spaß. Das ist Out-of-the-Box schon ein klasse Hörerlebnis, wenn der Klang direkt aus dem Display kommt.
Hallo Fabio hab mir auch den G2 77 Zoll gekauft und hab vertikales Banding Pink Tint dachte das gehört der Vergangenheit an ?Kannst Du mir vl einen Rat geben zwecks Paneltausch?lg Mario
Hallo 4kfilme Team,
ich besitze das 2020er Modell GX in 77″.
Lohnt sich ein Umstieg auf den G2 eurer Meinung nach?
Die Helligkeit vom GX auf den G1 war ja mehr oder weniger nur messbar.
Über einen Tipp würde ich mich freuen!
Danke und Gruß
Schade das ihr es immer noch nicht schafft mal ein Strommessgerät an den TV zu hängen, der Aufwand diesbzgl hält sich ja in Grenzen.
Einfach mal bzgl SDR/HDR, kallibriert/unkalibriert unter Modus X, da bricht sich keiner was ab mal 4 Werte zu notieren.
Ich frage mich, wie aussagekräftig diese Werte wären. Welche Inhalte sollen wir auf dem TV wiedergeben? Es macht beim Stromverbrauch eines OLEDs ja einen extremen Unterschied, was auf dem Display dargestellt wird. Ich könnte jetzt hingehen und sagen, bei Videosequenz xy verbraucht der TV xy Watt (Hochgerechnet dann xy KWh in der Stunde). Ein Videomaterial zusammenzustellen, was einen absoluten Mittelwert liefert, scheint mir extrem schwer. Wenn wir schreiben, wir haben den TV 300 Stunden getestet und xy KWh verbraucht, inwieweit würde dir dieser Wert helfen? Bei einem Testportal wurde die Stromaufnahme im Durchschnitt mit 84 Watt angegeben. Maximal 189 Watt. Das wurde meines Wissens jedoch mit Testbildern gemessen, also in meinen Augen nicht ganz aussagekräftig.
Habe jetzt z.B. im Gaming Modus HDR 87 Watt wenn ich den Desktop mit dunklen Hintergrund darstelle. Wenn ich im Browser 4kfilme.de öffne, sind es 187 Watt. Im SDR-Modus sind es beim Aufruf von 4kfilme.de im Browser (heller Hintergrund) 240 Watt und nur der Desktop (dunkler Hintergrund) 51.3 Watt.
Filmmaker Mode dunkler Desktop SDR 51 Watt, 4kfilme.de Webseite Browser SDR 247 Watt. Filmmaker Mode HDR dunkler Desktop 63 Watt, 4kfilme.de Browser 203 Watt. Beim 4KHDR Trailer zu Thor Love and Thunder springt der Verbrauch sekündlich wild hin und her 57, 215, 110, 69 Watt usw. Keine Ahnung wie man hier verlässliche Daten zur Verfügung stellen soll. Wir müssten uns eine Sequenz heraussuchen (z.B. 15 Minuten) und diese in SDR/HDR in verschiedenen Bildmodi abspielen, um den durchschnittlichen Verbrauch zu ermitteln, aber das ist wie angemerkt, immer noch nicht aussagekräftig, das das Nutzungsverhalten den Verbrauch maßgeblich beeinflusst.
ich habe seit ein paar tagen den 42c2, angeschlossen ist ein pc mit rtx 2080ti. anfangs ging alles wunderbar, hatte den pc an hdmi 4. seit gestern kommt kein signal mehr an, er erkennt aber, dass etwas eingesteckt wurde beim rein/rausziehen. über hdmi 1,2,3 geht alles. andere geräte (fire tv etc. ) gehen über hdmi 4 auch nicht mehr. kein signal… buchse kaputt?! oder was kann man machen?! bitte um antwort. thx ( verwendet wird ein hdmi 2.1 kabel von club 3d, 10k 2m usw… dass die rtx 2080ti nur hdmi 2.0 hat weiss ich ebenfalls. )
Hi Steffen,
hast du bereits versucht ein anderes Kabel zu verwenden? Da jedoch auch andere Geräte über den Port ebenfalls nicht funktionieren, liegt hier jedoch die Vermutung nahe, dass der Port defekt ist. Du könntest zusätzlich nochmal versuchen, den TV auf Werkseinstellungen zurückzusetzen und einmal komplett vom Strom zu nehmen. Wenn all dies ebenfalls nicht helfen sollte, wende dich bitte an den LG Support.
Danke für die Antworten fabio & Dominic!
Hab alles durch probiert, anderes Kabel, Werkreset, hdmi deep color etc… Nix hilft… Naja, werde ich mich wohl mal bei LG melden. Danke nochmals, mfg
Hallo Steffen, ich hätte auch noch eine Idee, woran es liegen könnte: Allgemein>Geräte>HDMI-Einstellungen>HDMI Deep Color>Für betreffende HDMI-Ports aktivieren. Hat sich hier HDMI Deep Color vielleicht aus irgendeinem Grund deaktiviert? Ansonsten wäre eine defekte HDMI-Buchse sicherlich möglich.
Ich frage mich gerade: Beim optionalen Standfuß, der offizielle von LG für den G2 – Wie viel Platz bleibt da für eine Soundbar von „Boden“ (TV-Rack) bis es die Sicht versperren würde? Und wie viel, wenn die Soundbar auf dem Standfuß platziert werden müsste, z.B. wegen einem zu schmalen TV-Rack.
Normalerweise müsste man den Unterschied ja anhand der offiziellen Spezifikationen errechnen können. Ohne Standfuss hat der TV mit 65 Zoll eine Höhe von 821mm (also bis zur Unterkante) und mit Standfuß 878mm. Bedeutet 5,7cm bis zur Unterkante und dann kann man glaube ich noch einen guten Zentimeter draufschlagen, bis wirklich das Bild anfängt. Die meisten Soundbars dürften so gut unter den TV passen. Wenn das TV Rack zu schmal ist, dann braucht man eben ein neues =) Der TV hat mit Standfuss eine Gesamttiefe von 245mm. Sitze hier gerade vor dem LG C2 mit einem ähnlichen, sondern soweit ich das bewerten kann, genau den gleichen Standfuß hat. Auf einem 0815 Standard TV-Rack vom Ikea passt TV+ Soundbar locker drauf.
Das hört sich super an. Mein Ikea TV-Rack hat tatsächlich rund 40 cm Tiefe. Da würde sich das mit 24,5 cm inkl. Standfuß optimal ausgehen. Danke für die Info! Es gibt tatsächlich wenige Tester, die diese Angaben machen oder z.B. evtl. entsprechendes Fotomaterial dazu liefern. Auch wenn es sich so natürlich leicht mit den Tech-Specs abgleichen lässt. Danke dir!
Kein Problem. Es gibt in den Haushalten natürlich 10.000 Anwendungsbeispiele und spezielle Vorlieben/Voraussetzungen, die erfüllt werden müssen. Dafür ist ja die Kommentarfunktion da, damit wir hier noch etwas über die Produkte reden und eine Hilfestellung geben können.
Grüßt euch,
Ich würde den G2 auch lieber aufstellen, wie in eurem Test, statt hängen. Aber muss man sich dafür wirklich den neuen Standfuß für 200€ kaufen, oder reicht der vom G1 bzw ein Universalstandfuß?
Wenn dieser Universalstandfuß der VESA-Norm des TVs entspricht, spricht nichts dagegen.
Vielen Dank für den sehr guten, ausführlichen Test. Top.
Wie konntet ihr bei der Messung des Schwarzwertes zwischen SDR und HDR einen Unterschied von 100% messen? (Scherz) Ah ja: Die 225 cd/m2 in der Werkeinstellung erklären sich ganz einfach. EU Verordnung 2019/2021. Da findet ihr auch raus, das ab 03/2023 MicroLED und 8k „gekillt“ werden.
Der FILMMAKER-MODE sollte unabhängig davon wie bereits beim G1 Modell aus dem letzten Jahr ab Werk auf ca. 100 Nits voreingestellt sein. Hierbei handelt es sich vermutlich noch um einen Bug, der mit einem der kommenden Firmware Updates seitens LG behoben wird.
Funktioniert endlich über den PC (4K-120Hz + Dolby Atmos ) richtig ? Bischer war es ja so , dass bei 4K-120 Hz und Atmos , kein Ton ausgegeben wurde…
Das war noch nie so… spiele seit 2 Jahren mit meinen LG CX in 4k120 und mit Dolby Atmos ohne Probleme…
Hmm bei mir schon , habe auch schon 2 HDMI Kabel probiert (LWL sowie normales HDMI Kabel) … AVR ist auch HDMI 2.1 Fähig…
Wie genau läuft denn deine Wiedergabekette? Du gehst von PC/Grafikkarte via HDMI an den LG OLED und vom OLED HDMI/eARC an den AV-Receiver (ebenfalls HDMI/eARC)? Hast du auch die korrekten HDMI-Ein-/Ausgänge gewählt? Und am LG OLED ebenfalls in den Einstellungen HDMI/ARC ausgewählt?
Hy, danke das du mein Problem an dich nimmst.
Also meine Kette ist so aufgebaut ( PC (RTX3090) – HDMI Ultra High Speed – AV (Lyngdorf MP60 2.1) – LWL HDMI Kabel – LG C9 .
Am PC funktioniert Atmos mit 4k60Hz , sobald ich auf PC Bildschirmauflösung 4K120Hz gehe und Atmos aktiviere , bleiben die lautsprecher Stumm….
Könntest du mal PC >HDMI> LG C9 >HDMI (earc)>Lyngdorf MP60 2.1 probieren? Funktioniert das? Bzw. der C9 kann ja Dolby Atmos verarbeiten. Wenn du den PC direkt an den C9 anschließt und dieser erkennt Dolby Atmos (Bildschirmmeldung oben rechts) bei 4K@120Hz, dann liegt es womöglich am Lyngdorf. Kann mir vorstellen, dass nur wenige dieses Gerät für Gaming nutzen, kostet ja doch den ein oder anderen Euro =) Freu mich auf dein Feedback
Ja Dolby Atmos Meldung erscheint jedes mal beim C9 , aber ob es wirklich nun an der Lyngdorf liegt hmm , habe mal den Support angeschrieben , ob diese mal im Werk diese Kombi auch testen können .
HDMI 2.1 beworben wird die Lyngdorf ja. Mal schauen. Ansonsten wüsste ich langsam nicht mehr , woran es liegen könnte…. Anzeig und allein , die 4K120Hz kann nur über die Anzeige “ PC “ und nicht “ Ultra HD “ aktiviert werden. Ob es daran liegt ?
HDMI ist ja bekannt für Probleme, sobald ein Gerät in der Kette mal etwas exotischer ist. Bei LG wirst du da vermutlich auch nichts erreichen, selbst wenn das Problem bei denen liegen sollte. Der Weg über Lyngdorf zu gehen ist hier zielführender. Die können das dann ja ggf. mit LG auskasbern.
Deswegen ist es wichtig, dass Events wie das Plugfest wieder stattfinden: https://www.4kfilme.de/es-wird-wieder-gestoepselt-uhd-plugfest-2022-findet-ende-juni-statt/. Dort können genau solche Kompatibilitäts-Probleme erkannt und vom Hersteller ggf. gefixt werden.
OLEDs überzeugen mich nicht, das Bild eines guten Projektors sieht viel natürlicher aus, und ist auf Dauer auch angenehmer für die Augen.
Außerdem durch die gigantische Größe auch immersiver als ein kleiner schwarzer Spiegel.
Das ist sicherlich persönliche Präferenz. Im Vergleich zu einem Projektor, erhält man bei einem TV-Gerät schon für geringeres Geld ein sehr gutes Bild. Für eine gute Projektion muss man für Projektor und Leinwand doch schon ganz schön etwas hinlegen. Das mit dem Ermüden der Augen kann man nachvollziehen. Hier empfiehlt es sich beim TV eigentlich ein Bias-Licht zu installieren. Machen wohl die wenigsten, bringt aber doch einen Vorteil und stört den Bildeindruck nicht.
Klingt super! Ich hatte noch etwas mehr maximale Helligkeit erwartet durch die neue Panelgeneration, im Vergleich zu meinem Sony A90J
Im Endeffekt bewerten wir ja am Ende die Panelhelligkeit im kalibrierten Zustand. Ohne Kalibrierung oder mit manuellem Eingriff schafft der G2 es über die 1.000 nits. Im direkten Vergleich mit den Vorjahresgeräten (habe hier auch gerade einen LG C2 mit Evo-Panel vor mir), merkt man ganz gut, dass die C2 und G2 doch einen visuellen Vorteil, vor allem in den Helligkeitsspitzen liefern. Das Bild wirkt noch plastischer, kontrastreicher und beeindruckt dadurch noch mehr.
Wie würde man den G2 im Vergleich zum Sony A90J einordnen? Ich überlege, welches Modell ich mir demnächst zulege…wird mein erster OLED.
Persönlich würde ich den G2 dem A90J vorziehen, obwohl dieser sehr wohl auch ein hervorragender OLED-TV ist. Der G2 bietet das beste Gesamtpaket und rund ums Gaming, sofern dies wichtig für dich sein sollte mehr Features als der Sony. Ferner ist der G2 dank Kühlplatte in der Lage etwas höhere Spitzenhelligkeiten zu erreichen und ist dadurch auch weniger empfindlich für Nachleuchteffekte.
Sollten dies jedoch keine wichtigen Argumente für dich sein, kannst du auch ruhigen Gewissens zum A90J greifen.
kann mich auch nicht zwischen G2 oder A90 entscheiden..(83“) Schaue eigentlich hauptsächlich Filme oder Sport..PS5 kommt eher selten zum einsatz.Vom Sound denk ich ist der Sony klar besser.Was bei dem G2 auch nervt ist halg nochmals 220€ für einen Standfuß.Lies mich seit Tagen durch und die testergebnisse sprechen halt klar für den G2.
Hallo Pari, also der G2 ist ein sehr guter TV, aber dieser ist jetzt keine Meilen weit entfernt von einem „normalen“ OLED, dem A90K oder nem LG C2. Man zahlt im Endeffekt für etwas mehr Helligkeit (würde bezweifeln, dass jemand den Unterschied ohne direkten Vergleich zwischen C2 und G2 gleich raussehen kann) und einem schlanken Design, mehrere hundert Euro mehr. Vor allem, wenn eine Wandinstallation nicht in Frage kommt, glaube ich, dass du vom G2 weggehen solltest. Der A90K wäre da sicher eine Alternative. Oder wie wäre es mit dem A95K QD-OLED von Sony? Der ist nochmal etwas punchier was die Helligkeit und Farbdarstellung angeht. Der Samsung S95B wäre auch eine Option, falls du z.B. eine Soundbar oder externe Soundanlage nutzt. Der integrierte Sound ist ok, aber es fehlt dem Gerät ein bisschen „Kraft“. Gibt es aber derzeit nur in 55 und 65 Zoll. Die „nur“ zwei HDMI 2.1 Anschlüsse des Sonys dürften sich ja auch nicht stören, sollte nur ab und zu mal die PS5 zum Einsatz kommen. Meine Meinung: Der höhere Investitionsbetrag des G2 (vor allem, wenn man die Standfüße noch kaufen möchte) rechtfertigt nicht den visuellen Gewinn.